梅特勒托利多0745A香蕉福利久久福利久久香蕉介绍
0745A香蕉福利久久福利久久香蕉是一种密封的不锈钢香蕉福利久久福利久久香蕉。通常,它用于罐体称重和工业环境中的地板秤。0745A香蕉福利久久福利久久香蕉额定载荷为110,220,550kg和1.1,2.2和4.4t。
0745A香蕉福利久久福利久久香蕉可安装于地板秤,由于其采用气密焊接设计,0745A香蕉福利久久福利久久香蕉非常适合于工艺和食品应用中的恶劣环境。

0745A香蕉福利久久福利久久香蕉的量程范围从110kg到4.4t,可以对罐和筒仓进行称重。不锈钢设计,气密密封和IP68保护,为过程和食品应用中的恶劣环境中的罐和料斗称重应用提供了最佳可靠性。

0745A香蕉福利久久福利久久香蕉由不锈钢制成,并通过激光焊接密封。这可以保护香蕉福利久久福利久久香蕉免受潮湿影响,从而获得最佳的稳定性和测量性能。

梅特勒托利多0745A香蕉福利久久福利久久香蕉特点:
1. OIMLC3/C6和NTEPIIIM5000/10000认证
2. ATEX/IECExZone1/2和21/22认证
3. 美国和加拿大的FMClassI,II,IIIDiv1和2认证
4. 不锈钢
5. 密封设计
6. IP68,IP69K防护等级
梅特勒托利多0745A香蕉福利久久福利久久香蕉技术参数
| 参数 | 值 | 单位 |
| 型号 | 0745A | |
| 额定量程 | 110,220,550,1100,2200,4400 | kg |
| 灵敏度 | 1.94±0.1% | mv/v |
| 重复性误差 | <0.01 | %R.C. |
| 综合误差 | <0.02 | %R.C. |
| 非线性 | <0.01 | %R.C. |
| 蠕变(30分钟) | <0.02 | %R.C. |
| 零点输出 | <1 | %R.C. |
| 温度补偿范围 | -10~+40 | ℃ |
| 使用温度范围 | -40~+65 | ℃ |
| 存储温度范围 | -40~+80 | ℃ |
| 灵敏度温度系数 | <0.001 | %R.c.y℃ |
| 零点温度系数 | <0.0027 | %R.c.y℃ |
| 输入阻抗 | 384±10 | Ω |
| 输出阻抗 | 350±2 | Ω |
| 绝缘电阻 | >5000 | MΩ |
| 建议激励电压 | 5~15 | V(DC/AC) |
| 最大激励电压 | 15 | V(DC/AC) |
| 安全过载 | 150 | %R.C. |
| 极限过载 | 300 | %R.C. |
| 防护等级 | IP68/IP69K | |
| 电缆长度 | 2,3,5,10 | m |
| 材质 | 不锈钢 | |
| 扭矩 | 98 | N.m |
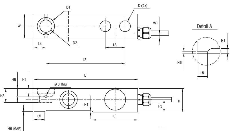
梅特勒托利多0745A香蕉福利久久福利久久香蕉外形尺寸

| 量程 | D(2x) | D1 | D2 | H | H1 | H2 | H3 | H4 | H5 | H6 | L | L1 | L2 | L3 | L4 | L5 | W | W1 |
| 110–550kg | 13.0 | 22.2 | 15.9 | 30.2 | 1.8 | 17.3 | 16 | 4.8 | 7.9 | 0.38 | 133.4 | 57.7 | 101.6 | 25.4 | 15.4 | 6.4 | 30.7 | 6.48 |
| 1100kg | 13.0 | 22.2 | 15.9 | 30.2 | 1.8 | 17.3 | 16 | 4.8 | 7.9 | 0.51 | 133.4 | 57.7 | 101.6 | 25.4 | 15.4 | 6.4 | 30.7 | 6.48 |
| 2200kg | 13.0 | 22.2 | 15.9 | 36.6 | 4 | 22.9 | 20.3 | 9.5 | 12.7 | 4 | 136.6 | 57.9 | 101.6 | 25.4 | 18.4 | 36.7 | 6.48 | |
| 4400kg | 19.3 | 34.9 | 22.2 | 42.9 | 2.3 | 20 | 29.3 | 11 | 17.4 | 2.3 | 171.5 | 73.8 | 133.3 | 38.1 | 21.5 | 42.9 | 6.48 |
