一、柯力DEE/DEF香蕉福利久久福利久久香蕉产品介绍
柯力DEE/DEF香蕉福利久久福利久久香蕉,配套市场上的各种拉式测力设备,具有线性精度高,重复性好,长期稳定的产品优势。


二、柯力DEE/DEF香蕉福利久久福利久久香蕉产品参数
| 额定载荷 |
50,100,150,200,250,300,500,750kg 1t,1.5t,2t,3t,5t,7.5t |
| 精度等级 | 0.03 |
| 灵敏度 |
(2.000±0.002)mV/V(DEE) (2.000±0.002)mV/V(DEF) |
| 线性误差 | ±0.03%F.S |
| 滞后误差 | ±0.03%F.S |
| 蠕变(30min) | ±0.03%F.S |
| 零点温度影响 | ±0.02%F.S/10℃ |
| 灵敏度温度影响 | ±0.02%F.S/10℃ |
| 输入阻抗 | (400±20)Ω |
| 输出阻抗 | (352±3)Ω |
| 绝缘电阻 | ≥5000MΩ |
| 额定温度 | -10℃~+40℃ |
| 工作温度范围 | -30℃~+70℃ |
| 安全负载 | 150%F.S |
| 破坏负载 | 200%F.S |
| 额定激励电压 | 10~12VDC |
| 密封等级 | IP66(50kg~1t),IP67(1.5t~5t) |
| 材料 | 合金钢,不锈钢 |
| 电缆长度 | 3m |
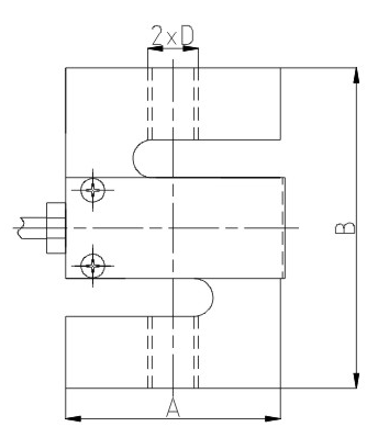
三、柯力DEE/DEF香蕉福利久久福利久久香蕉产品示意图

| 额定载荷 | A | B | C | D |
| 50~750kg | 51 | 76.2 | 19.1 | M12 |
| 1t | 51 | 76.2 | 25.4 | M12 |
| 1.5~5t | 76.2 | 100.4 | 318 | M20x1.5 |
