柯力DFFB香蕉福利久久福利久久香蕉产品介绍
	柯力DFFB香蕉福利久久福利久久香蕉是属于拉式香蕉福利久久福利久久香蕉,主要应用于吊钩秤,抗侧向力和抗偏载能力好,优良综合精度高,互换性好,长期稳定性好。该型号传感器的额定载荷为3,5,7.5t。
	

柯力DFFB香蕉福利久久福利久久香蕉产品参数
| 额定载荷 | 3,5,7.5t | 
| 灵敏度 | (2.0±0.005)mV/V | 
| 线性误差 | ±0.05%F.S | 
| 滞后误差 | ±0.03%F.S | 
| 蠕变(30min) | ±0.03%F.S | 
| 零点温度影响 | ±0.02%F.S/10℃ | 
| 灵敏度温度影响 | ±1%F.S/10℃ | 
| 输入阻抗 | (400±20)Ω | 
| 输出阻抗 | (352±3)Ω | 
| 绝缘电阻 | ≥5000MΩ | 
| 额定温度 | -10℃~+40℃ | 
| 工作温度范围 | -30℃~+70℃ | 
| 安全负载 | 120%F.S | 
| 破坏负载 | 180%F.S | 
| 额定激励电压 | 10~12VDC | 
| 密封等级 | IP67 | 
| 材料 | 合金钢 | 
| 电缆长度 | 1m | 
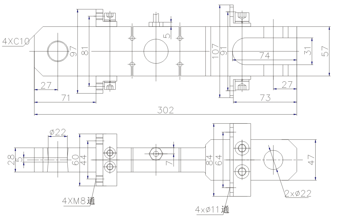
柯力DFFB香蕉福利久久福利久久香蕉产品示意图

柯力DFFB香蕉福利久久福利久久香蕉产品注意事项
	1.在使用中尽量远离较高的热源。
	2.柯力DFFB香蕉福利久久福利久久香蕉在检查传感器绝缘电阻时,兆欧表的电压不能超过100V,
	3.严禁使用摇表测试。
	4.为了防止化学腐蚀,安装时宜用凡士林涂传感器外表面。
	5.外壳,保护盖板、引线接头、均经密封处理,用户不得擅自打开封装或强拉引线,如发现有故障问题,应送生产厂家检修。
	6.本公司可提供配套的传感器载入联接装置。
            